400-661-3026/400-601-0468
logo
工业传感器
dflt2
ScreenShot_2025-12-29_103906_302
ScreenShot_
dflt2
ScreenShot_2025-12-29_103906_302
ScreenShot_
KZY-KB防爆防护高低温数显压力变送器
负载能力:电流输出型≤ 500Ω;电压型输出阻抗250Ω
介质温度:-20℃~80℃
环境温度:-20℃~+80℃
供电电压:DC 24V(12V~32V)
非 线 性:± 0.2%F.S
迟滞性与可重复性:± 0.1%F.S
长期稳定性:± 0.1%F.S/y
用途:工业现场过程压力控制;航空航天领域;石油化工行业;仪器医疗食品行业;航海及造船行业;水利、水电、发电厂炉膛负压等行业
       产品特点:进口扩散硅芯体,适用不同介质的压力液位测量;激光调阻温度补偿,使用温域宽,测量准确度高;过压过流反向级性电路保护,可靠性高;电压、电流、网络多种输出方式,可以带LCD、LED、指针等各种现场显示,符合工业抗干扰国标三级。
产品简介
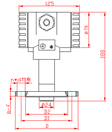
外观尺寸
top