400-661-3026/400-601-0468


供电:DC24V
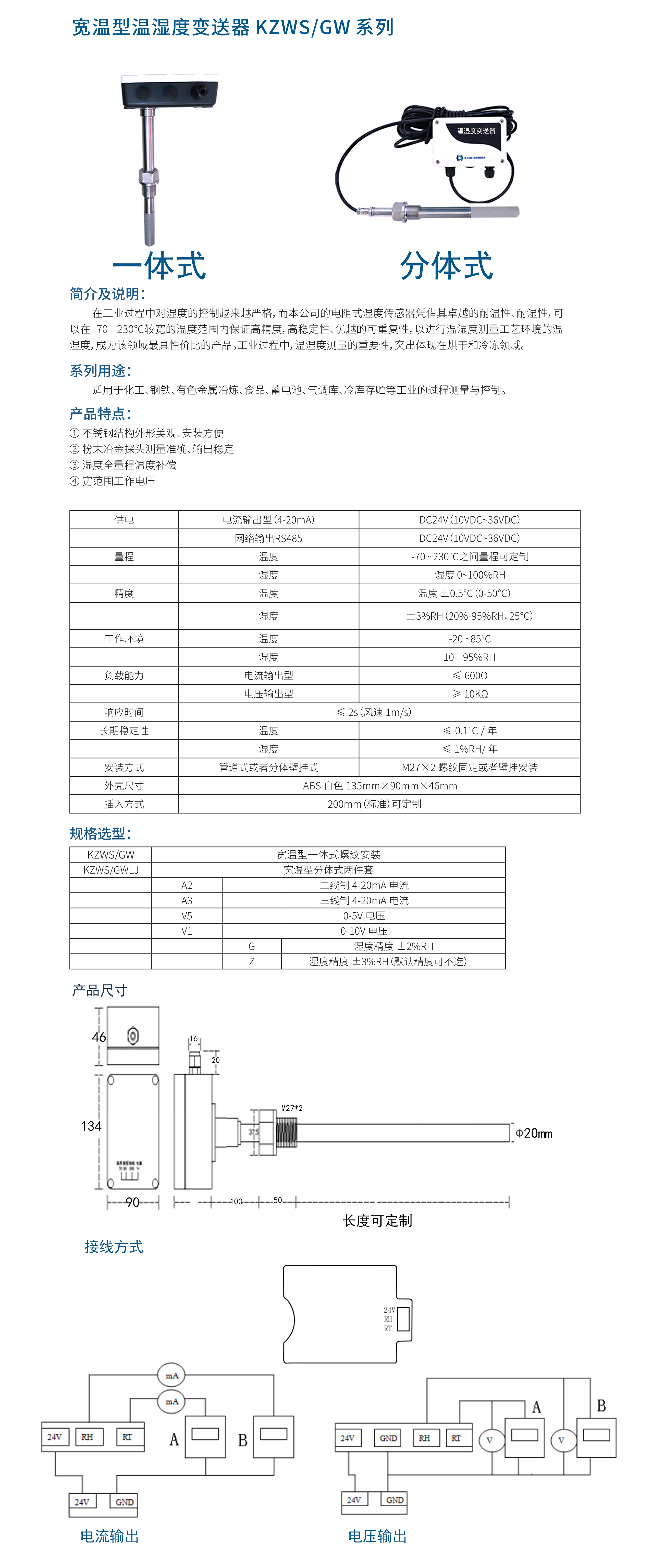
量程:温度 -40 ~260℃之间量程可定制、湿度 0~100%RH
精度:温度 ±0.5℃(0-50℃)、湿度 ±2%RH ±3%RH ±5%RH
信号输出:4-20mA 、0-5V 输出
安装方式:管道式(螺纹或法兰固定)
插深:200mm(标准)可定制
外壳:ABS白色 100mm*68mm*50mm
应用领域:
适用于化工、钢铁、有色金属冶炼、食品、蓄电池、气调库、冷库存贮等工业的过程测量与控制。
|
1. 自制高温湿敏电阻
自制高温湿敏电阻,是我们20年以来结合国外产品及不同的使用现场所研制的特殊工艺制作而成,它能直接在260℃的高温环境下测试湿度,经久耐用,解决您的高温湿度测量的难题.
|
|
|
2. 粉末冶金管
采用不锈钢粉末与有机材料烧结而成.具备防腐及过滤粉尘作用,是感湿元件的保护神,提高传感器的使用寿命,让您用的放心。 |
在工业过程中对湿度的控制越来越严格,而本公司的电阻式湿度传感器凭借其耐温性、耐湿性,可以在-40—260℃较宽的温度范围内保证高精度,高稳定性、优越的可重复性,以进行温湿度测量工艺环境的温湿度,成为该领域具性价比的产品。工业过程中,温湿度测量的重要性,突出体现在烘干和冷冻领域。
|
|
|||||||||||||||||||||||||||||||
1、外形美观、安装方便;
2、测量准确、输出稳定;
3、湿度全量程温度补偿;
4、宽范围工作电压;
5、单片机智能处理、高抗干扰设计;

